Menu

METERS

According to RITE (IT 1.2.4.4 Consumption accounting), any thermal installation that provides service to more than one user will have a system that allows the distribution of the expenses corresponding to each service (heat, cold and sanitary hot water) between different users.

In CTE DB HS Health, it is indicated to have an accounting system for both cold and hot water for each individualized consumption unit. The meter will have a suitable pre-installation for a connection to send signals for remote reading.

Royal Decree 736/2020 of August 4, establishes that the owners of centralized heating and/or cooling installations must pay their heating or cooling consumption according to the consumption made. To do this, they must install calorie or energy meters, or cost allocators to be able to measure the energy consumption of each consumer. The installation of one or the other device depends on the distribution of the system (in a ring or in columns).

The accounting systems installed must have a remote reading service to allow individual settlement.

Categories

Show only bagged product

STH

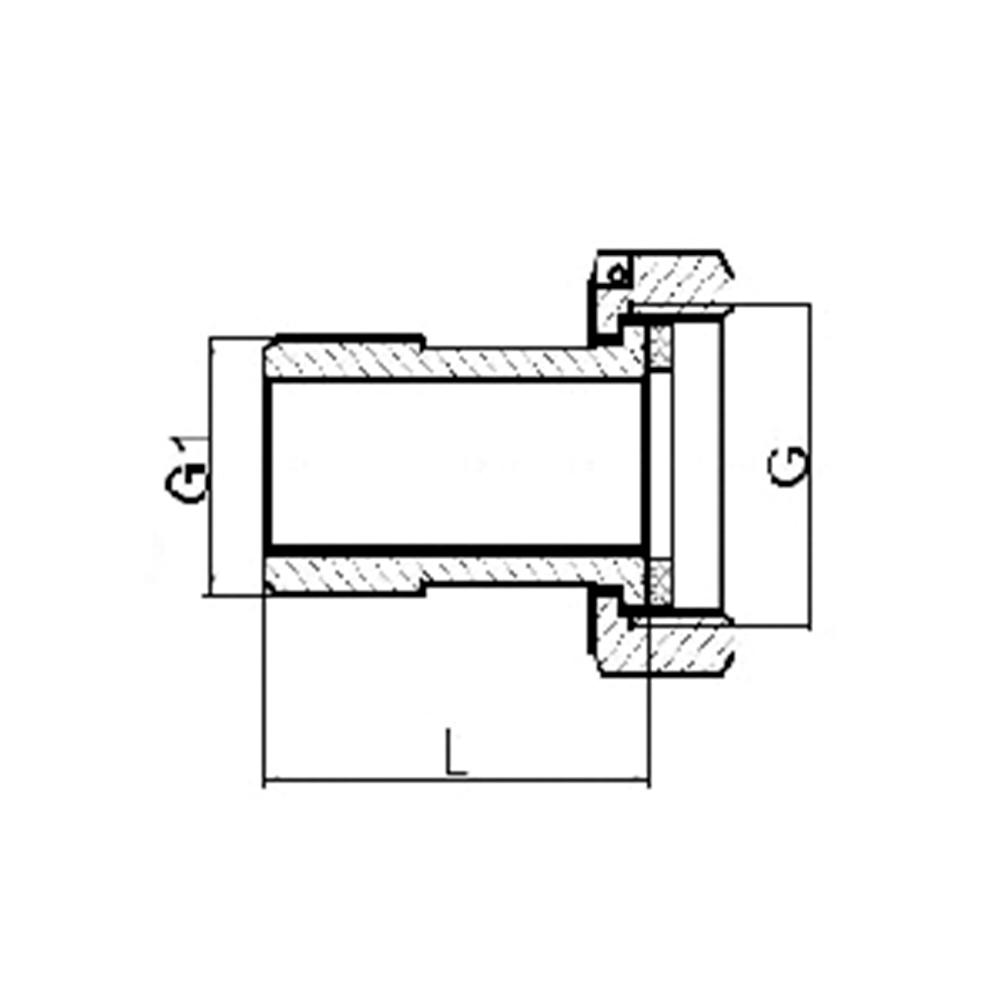
Fitting For Water Meter
Code Description Ø1 / Ø2 / A Min. Qty.
113740 Set of Meters Cone 1/2" - 3/4" 1/2" / 3/4" / 25 10
113741 Set of Meters Cone 3/4" - 1" 3/4" / 1" / 30 10
Fitting Kit For Water Meter (Set of 2 pieces)
Code Description Ø1 / Ø2 / A / B Min. Qty.
41026 Connectors For Water Meter 3/4" - 1" 3/4" / 1" / 50 / 37 1

Standard Hidráulica website uses its own and third-party cookies to help with the functionality of the website during product search, connection to the business portal and drop-down elements, and to obtain statistical data on user browsing. More information