Menu

PB (POLYBUTYLENE) SYSTEMS

Easy, Fast and High Performance

Designed to cover a wide range of applications and construction types. Our connection systems will help you achieve a perfect installation, regardless of the technical requirements.

Our systems are fast, safe and easy to install, saving time and money.

PolySTH is a detachable system that incorporates mixed (brass/PB) and polybutylene pipes, valves and instant union fittings, ideal for use in hot and cold sanitary water supplies, central heating to radiators and central heating installations. radiating floor. The use of Polybutylene pipes offers great ease of handling (very flexible pipes) and a higher design vital safety factor than alternative plastic pipe materials.

 

Categories

Show only bagged product

PolySth

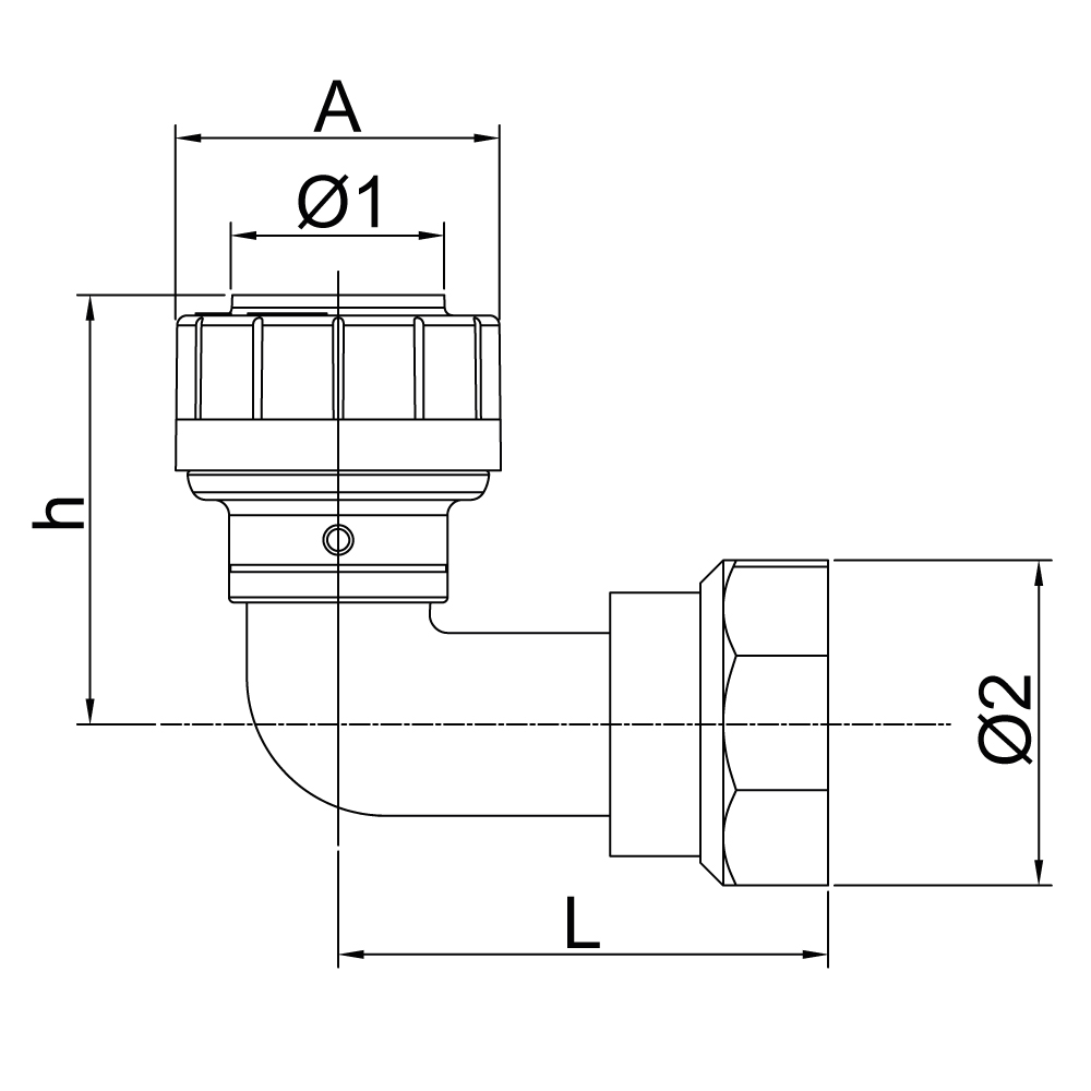
90º Elbow Brass Nut H
Code Description Ø1 / Ø2 / A / h / L Min. Qty.
F64023 Brass Threaded Elbow F - Ø15 - 1/2" 15 / 1/2" / 32 / 33 / 39 10
Brass Idler Nut Sleeve H Thread
Code Description Ø1 / Ø2 / A / L Min. Qty.
F64067 Brass Idler Nut Sleeve H Thread - Ø15 - 1/2" 15 / 1/2" / 32 / 55 10
F64068 Brass Idler Nut Sleeve H Thread - Ø22 - 3/4" 22 / 3/4" / 40 / 65 5
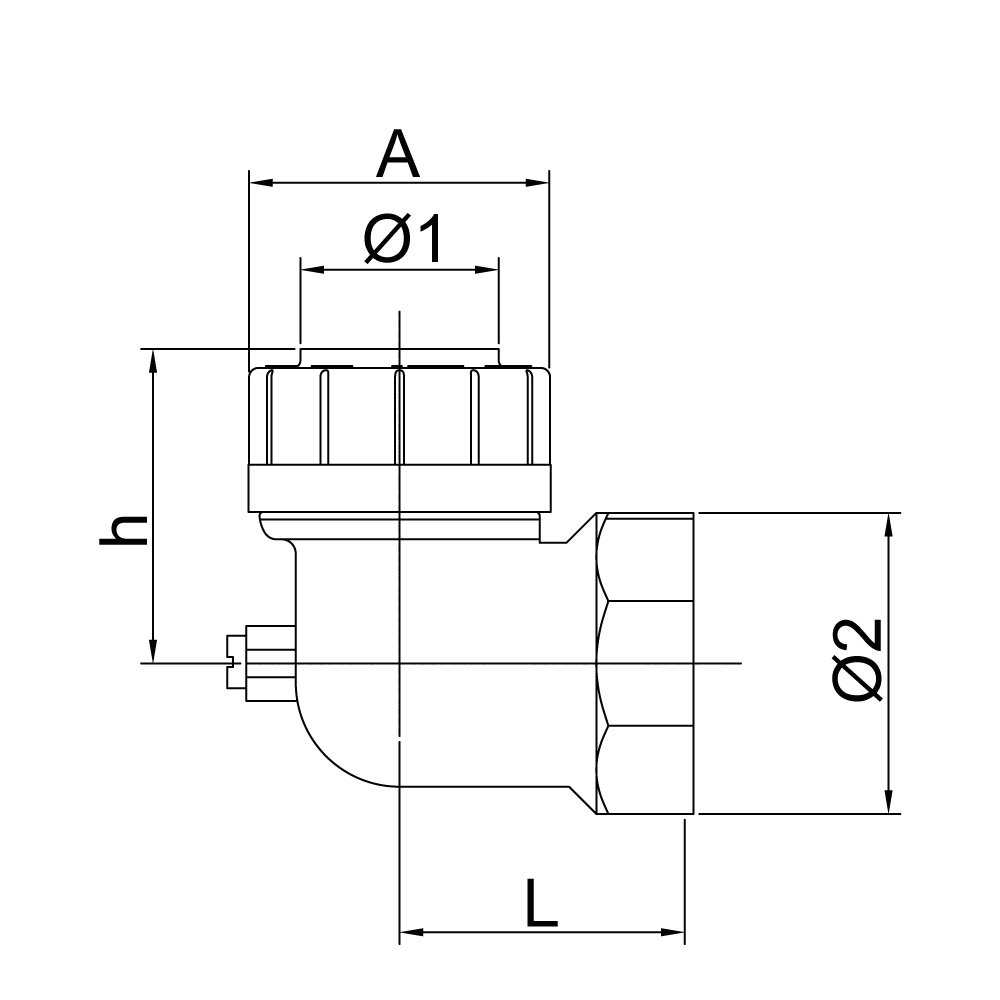
Elbow 90º Brass F
Code Description Ø1 / Ø2 / A / h / L Min. Qty.
F60240 Female Elbow Brass Fixer Ø15x1/2" 15 / 1/2" / 32 / 31 / 31 200
F60241 Female Elbow Brass Fixer Ø22x1/2" 22 / 1/2" / 40 / 36 / 32 120

Related Categories

Elbow 90º Thread Brass F
Code Description Ø1 / Ø2 / A / h / L Min. Qty.
F60247 PB3015 Female Elbow Brass Ø15x1/2" 15 / 1/2" / 32 / 39 / 34 100
F60248 PB302212 Female Elbow Brass Ø22x1/2" 22 / 1/2" / 40 / 34 / 42 120
F60249 PB3022 Female Elbow Brass Ø22x3/4" 22 / 3/4" / 40 / 42 / 35 120
F60310 PB3028 Female Elbow Brass Ø28x1" 28 / 1" / 47 / 48 / 39 60

Related Categories

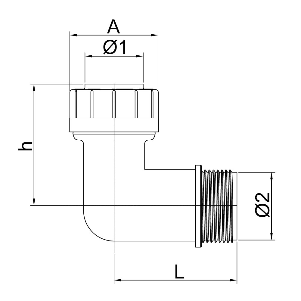
Elbow 90º Thread Brass M
Code Description Ø1 / Ø2 / A / h / L Min. Qty.
F60470 PB Male Elbow Brass Ø15x1/2" 15 / 1/2" / 32 / 33 / 36 50
F60471 PB Male Elbow Brass Ø22x3/4" 22 / 3/4" / 40 / 39 / 40 50

Related Categories

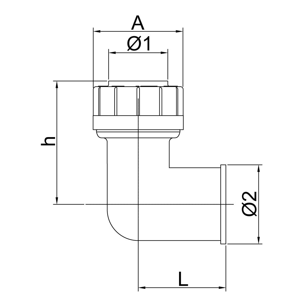
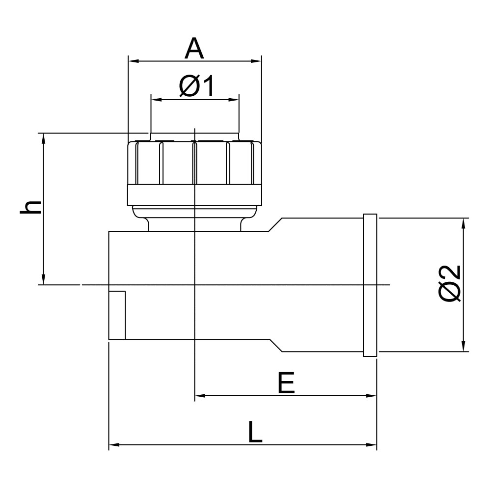
Elbow 90º Wall Plate Brass F
Code Description Ø1 / Ø2 / A / E / h / L Min. Qty.
F60245 PB1315 Wall Plate Elbow Ø15x1/2" 15 / 1/2" / 32 / 27 / 31 / 46 100
F60246 PB132212 Wall Plate Elbow Ø22x1/2" 22 / 1/2" / 40 / 30 / 42 / 53 80

Related Categories

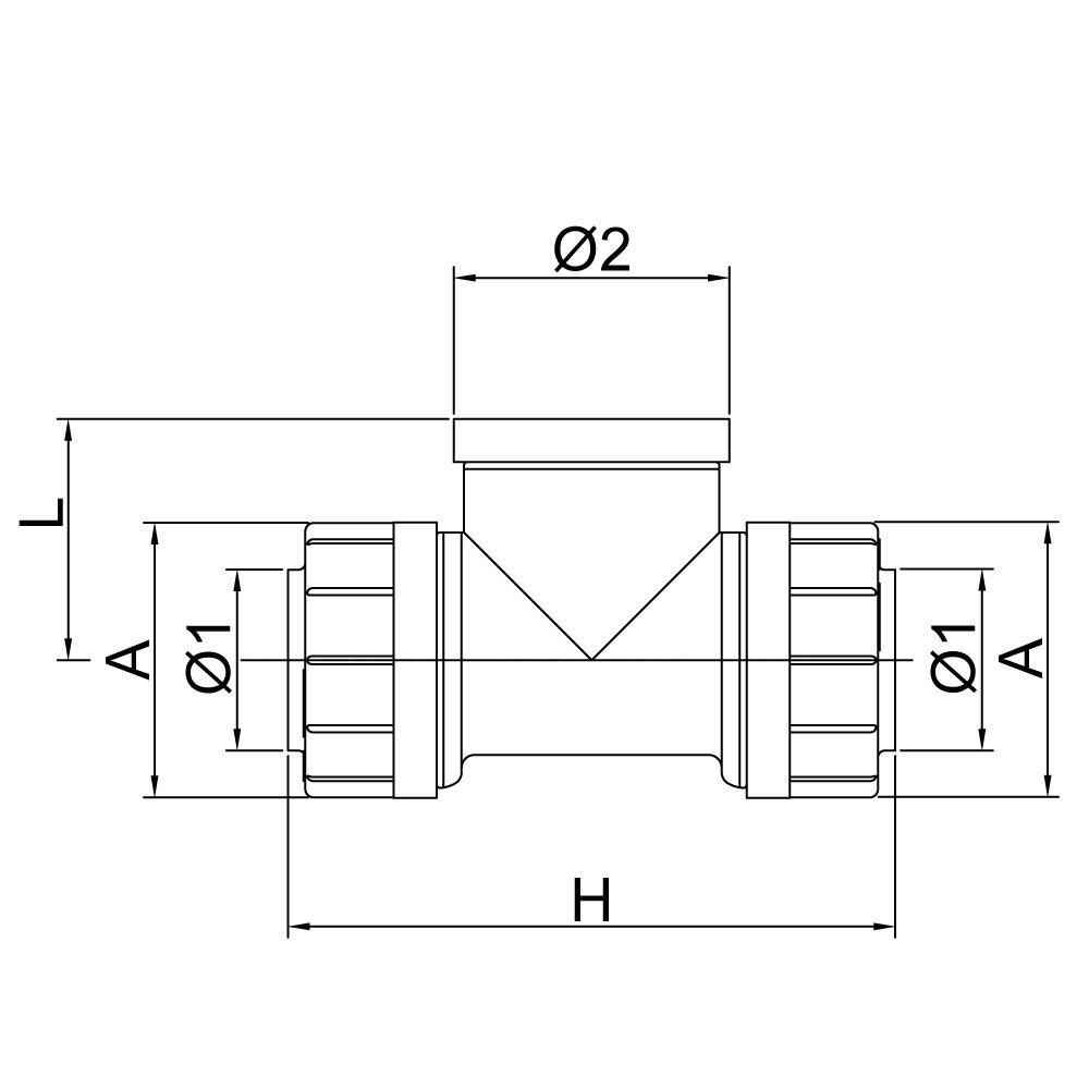
Tee Threaded F
Code Description Ø1 / Ø2 / A / h / L Min. Qty.
F60252 PB2915 Female Tee Brass Ø15x1/2" 15 / 1/2" / 32 / 71 / 29 80
F60253 PB292212 Female Tee Brass Ø22x1/2" 22 / 1/2" / 40 / 82 / 30 80

Related Categories

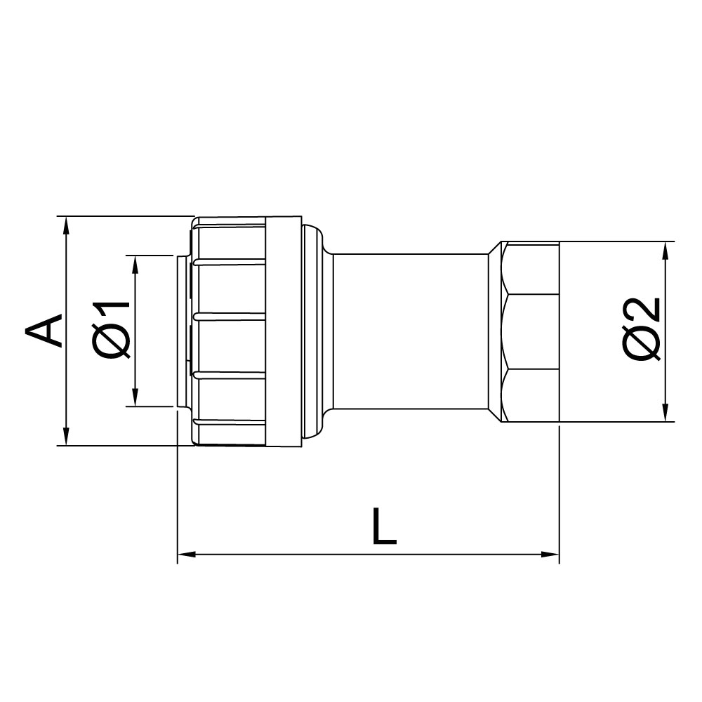
Threaded Coupling F
Code Description Ø1 / Ø2 / A / L Min. Qty.
F60142 Pb4415 Female Thread Adaptor Ø15x1/2" 15 / 1/2" / 32 / 43 200
F60143 Female Thread Adaptor Ø22x1/2" 22 / 1/2" / 40 / 44 160
F60144 PB4422 Female Thread Adaptor Ø22x3/4" 22 / 3/4" / 40 / 44 160
F60145 PB4428 Female Thread Adaptor Ø28x1" 28 / 1" / 47 / 49 100

Related Categories

Threaded Coupling M
Code Description Ø1 / Ø2 / A / L Min. Qty.
F60132 PB4315 Male Thread Adaptor Ø15x1/2" 15 / 1/2" / 32 / 39 200
F60131 Male Thread Adaptor Ø22x1/2" 22 / 1/2" / 40 / 42 200
F60133 PB4322 Male Thread Adaptor Ø22x3/4" 22 / 3/4" / 40 / 42 200
F60134 PB4328 Male Thread Adaptor Ø28x1" 28 / 1" / 47 / 47 120
F60137 Male Thread Adaptor Ø28x3/4" 28 / 3/4" / 47 / 48 1

Related Categories

Threaded Transition Coupling M
Code Description Ø1 / Ø2 / A / L Min. Qty.
F60450 Metallic Coupler M-M Ø15x1/2" 15 / 1/2" / 26 / 50 300

Related Categories

Standard Hidráulica website uses its own and third-party cookies to help with the functionality of the website during product search, connection to the business portal and drop-down elements, and to obtain statistical data on user browsing. More information